Matice závěsná vysokopevnostní G80
Kód: MATICE ZAVESNA G80-M6 MATICE ZAVESNA G80-M8 MATICE ZAVESNA G80-M10 MATICE ZAVESNA G80-M12 MATICE ZAVESNA G80-M16 MATICE ZAVESNA G80-M20 MATICE ZAVESNA G80-M24 MATICE ZAVESNA G80-M30 MATICE ZAVESNA G80-M36 MATICE ZAVESNA G80-M42 MATICE ZAVESNA G80-M48 Zvolte variantuJSME PŘÍMÝ VÝROBCE
Jsme přímý výrobce lanových, řetězových i
textilních vázacích prostředků.
Produkty upravíme na míru Vašim potřebám.
Za bezkonkurenční ceny.
Přes 20 let na trhu
Pohybujeme se na trhu od roku 1996.
Nabízíme nadstandardní servis a poradenství.
Revize a opravy vázacích prostředků
SPLŇUJEME PŘÍSNÉ NORMY
Všechny výrobky splňují příslušné normy ověřené pevnostními trhacími zkouškami a certifikáty
Zásobování
Zboží a výrobky zavážíme kamkoliv a kdykoliv – ať je víkend nebo všední den.
Disponujeme:
Kamionem (24 palet) s hydraulickým čelem, nosnost 13 000 kg.
Dodávkou (8 palet) s hydraulickým čelem, nosnost 1 000 kg – díky hydraulickému čelu složíme zboží kdekoliv, včetně staveb.
Dokážeme přizpůsobit i čas výroby, protože vyrábíme i o víkendech. To nám umožňuje zajistit, aby bylo zboží vždy dodáno včas – stavba nečeká!
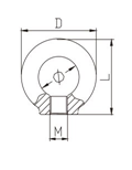
Detailní popis produktu

|
Velikost |
W.L.L (t) |
Rozměry (mm) |
N.W. (kg/ks) |
|||
|
|
0° |
90° |
D |
Φ |
L |
|
|
M6 |
0.4 |
0.15 |
36 |
20 |
36 |
0.049 |
|
M8 |
1 |
0.4 |
36 |
20 |
36 |
0.05 |
|
M10 |
1 |
0.4 |
45 |
25 |
45 |
0.09 |
|
M12 |
2 |
0.75 |
54 |
30 |
53 |
0.16 |
|
M16 |
4 |
1.5 |
63 |
35 |
62 |
0.24 |
|
M20 |
6 |
2.3 |
72 |
40 |
71 |
0.36 |
|
M24 |
8 |
3.2 |
90 |
50 |
90 |
0.72 |
|
M30 |
12 |
4.5 |
108 |
60 |
109 |
1.32 |
|
M36 |
16 |
7 |
126 |
70 |
128 |
2.08 |
|
M42 |
24 |
9 |
144 |
80 |
147 |
3.11 |
|
M48 |
32 |
12 |
166 |
90 |
168 |
5.02 |
Doplňkové parametry
| Kategorie: | Příslušenství |
|---|---|
| EAN: | Zvolte variantu |
Buďte první, kdo napíše příspěvek k této položce.
Přidat komentář
